产品分类

浏览过的商品

QFBGLD-1080-2 FBG激光二极管 波长1080nm
 
   
查看大图

QFBGLD-1080-2 FBG激光二极管 波长1080nm

QFBGLD-1080-2 FBG激光二极管 波长1080nm

  • 货  号:G54DC1DB1D7BC157
  • 品  牌:QPhotonics
  • 销售价:
购买数量:
  (库存10)
app hook

光纤布拉格光栅(Fiber Bragg Grating, FBG)激光二极管(Laser Diode, LD) 中FBG作为激光器的端反射镜,可以将输出激光光谱限制在非常窄的范围内。FBG激光二极管输出的是波长稳定的单模激光,具有窄线宽输出、结构简单、性能稳定、易于维护等优点。应用主要集中在光纤通信和光纤传感器等领域。

nn

n

n
n
n
n
n
n
n
n
n
n
n
n
n
n
n
n
n
n
n
n
产品简介:
n
QPHOTONICS的 QFBGLD-1080-2 型FBG激光二极管输出的是波长稳定的单模激光,具有窄线宽输出、结构简单、性能稳定、易于维护等优点。
n
特    点:
n
    n
  • n
    FBG波长稳定的单模激光
  • n
  • n
    连续光或脉冲工作时上升时间为0.5ns
  • n
  • n
    工作温度范围-40??至+50??
  • n
  • n
    波长/温度系数0.01nm/??
  • n
  • n
    内置监控光电二极管,热电冷却器和热敏电阻
  • n
  • n
    单模光纤尾纤(Corning HI1060, NA=0.14, MFD=5.9um@980nm, 6.2um@1060nm)
  • n
  • n
    可选FC/ APC连接器
  • n
nn
应用领域:
nnn
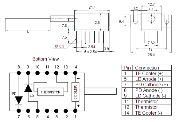
产品结构图:
n
n

??/p>nn

发射光谱:

nn

n

nn

 

nn

 

如果您对本商品有什么问题,请提问咨询!
如果您对本商品有什么评价或经验,欢迎分享!