产品分类

浏览过的商品

QFLD-850-100S FP激光二极管 波长850nm
 
   
查看大图

QFLD-850-100S FP激光二极管 波长850nm

QFLD-850-100S FP激光二极管 波长850nm

  • 货  号:G54DC1DB1D7BC224
  • 品  牌:QPhotonics
  • 销售价:
购买数量:
  (库存10)
app hook
n

法布里-珀罗(Fabry-Perot,FP)激光二极管(Laser Diode, LD)是一个腔内包含FP腔结构的发光二极管,其结构决定了其输出是多纵模的。FP激光二极管输出光功率大、发散角较小、光谱较窄、调制速率高,因此适用于长距离光纤通信领域。

nn

QPhotonics FP激光二极管,主要应用于光纤通信和波分复用器。

n
n

n
n
n
n
n
n
n
n
n
n
n
n
n
n
n
n
n
n
n
n
n
n
n
n
n
产品简介:
n
QPHOTONICS的QFLD-850-100S型FP激光二极管具有输出功率大、发散角较小、光谱较窄、调制速率高等特点,因此适用于长距离光纤通信领域。
n
产品特点:
n
    n
  • n
    连续光或脉冲工作模式,0.5ns上升时间
    n
  • n
  • n
    低阈值电流和高效率
    n
  • n
  • n
    工作温度范围-40℃到+50℃
    n
  • n
  • n
    波长/温度系数0.3nm/℃
    n
  • n
  • n
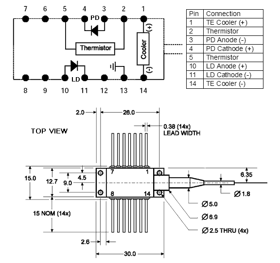
    内置监控光电二极管,热电冷却器和热敏电阻
    n
  • n
  • n
    单模光纤尾纤(Corning HI780, NA=0.14, MFD=4.5um@780nm, 5um@850nm
    n
  • n
  • n
    可选FC/PC或FC/APC连接器
  • n
nn
应用领域:
nnn
产品结构图:
n
n
n
n
n
n
n
n
n
n
n
n
n
n
n
n
n
n
n
n
n
n
n
n
n
n
n
n
n
n
n
n
发射光谱:
n
n
n

如果您对本商品有什么问题,请提问咨询!
如果您对本商品有什么评价或经验,欢迎分享!