| Holoeye空间光调制器 | ALPAO高速变形镜 | 波前分析仪Phasics | 自适应光学系统 | 数字微反射镜 DMD 数字微镜器件 | 光学元件器件DOE |
| 光刻仪 |
| 飞秒激光器 | 皮秒激光器 | 自相关仪 | 超短脉冲测量仪Frog | 超快激光器件 |
| 高功率连续波OPO | 高功率光纤激光器 | Qioptiq NANO 激光器 | 低噪声窄线宽激光器 | 可调谐激光器 | 半导体激光器和放大器 | SLD和ASE宽带光源 | 双波长输出氦氖激光器 |
| QIOPTIQ光纤耦合半导体激光器 | Diode & DPSS_qioptiq | 激光驱动白光光源 | 等离子体宽带光源 | 单色仪 | 光谱仪 | 光栅 | 辐射计 | 防嗮系数分析 | Optogma固体激光器 | Solarlight | 波长选择器 |
| 激光准直仪 | 红外激光观察镜 | 激光功率能量计 | 光学斩波器 | 光束质量分析仪 | 位敏探测器 | 红外相机 | O/E转换模块探测器 TIA-525S |
| 太赫兹相机及源 | 太赫兹探测器 | 太赫兹元器件及晶体 | 太赫兹光谱仪 | 太赫兹功率计 |
| Optiphase | 微光MOI |
| 普克尔盒/Pockels Cells | 电光调制器/Electro-Optics Modulators | 法拉第隔离器/Faraday Isolators | SESAM半导体可饱和吸收镜 | 探测器 | EOT高速光电探测器 | 其他未分类 |
| 电化学ECV 扩散浓度 | 接触电阻测量仪 | 四点探针测试仪 | 少子寿命测试仪 |
| 平行光管 |
| 光纤跳线及配件 | 无源器件 |
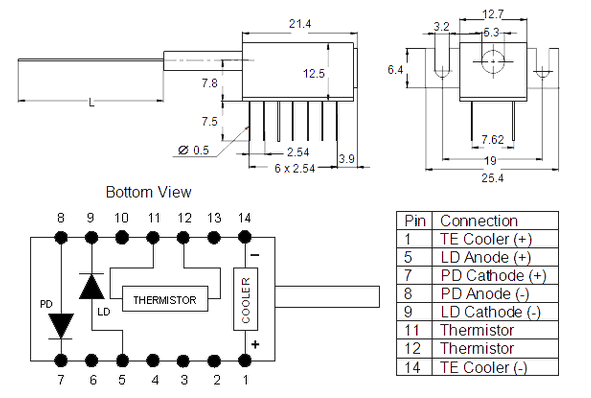
| 内部温度°C | 25 |
| 热敏电阻k? | 10 |
| 光输出功率mW | 2 |
| 工作电流mA | 84 |
| 工作电压V | 1.54 |
| 监控电流mA | 0.54 |
| 监控暗电流mA | 0.0 |
| 中心波长nm | 1295 |
| 光谱宽度nm | 0.02 |
| 连接器 | 无 FC/APC |
| 阈值电流mA | 65 |